江蘇密友粉體新裝備制造有限公司作為贊助單位出席2018年低維碳納米材料制備及應用技術交流會
從2018低維碳納米材料制備及應用技術交流會組委會獲悉,江蘇密友粉體新裝備制造有限公司作為贊助單位出席2018低維碳納米材料制備及應用技術交流會!本屆交流會由中國粉體網聯合江蘇省納米技術產業創新中心、中國科學院蘇州納米技術與納米仿生研究所主辦,將于2018年4月24-25日在蘇州金陵觀園國際酒店舉辦。

江蘇密友粉體新裝備制造有限公司坐落于昆山國家高新技術開發區,1985年創辦,2008年經國家工商總局批準成立國家級集團公司,總注冊資本2.1億元,總資產4.8億元,員工348人。公司是專業開發生產粉體裝備制造成套化、高溫循環氮氣保護粉碎分級生產線、容器攪拌密封一體化、鋰電池高溫包覆釜、納米潤滑母液油脂系列產品的國家高新技術企業。

公司建有國家級實驗基地,產學研合作基地、江蘇省級企業技術開發中心、江蘇省級高性能納米金屬粉體工程技術研究中心。
通過ISO9001:2015國際質量體系認證。
密友產品列入創新基金項目、國家“十三五”計劃項目、高新技術產品等。取得了18項國家發明專利,45項實用新型專利。
制訂國家標準1項,行業標準13項。
獲得第三類低中壓容器生產許可證(證書編號:TS2210A67-2014)。
獲得高壓大軸徑機械密封許可證,證書編碼:XK06-007-00197。
通過歐洲ATEX防爆認證。
與德國FSA公司共同成立粉塵安全防爆研究所,粉塵防爆技術性能與國際接軌,具備常溫、高溫、低溫防爆化學危險品物料的粉碎。

部分產品介紹
1、新一代節能型氣流粉碎機

工作原理:
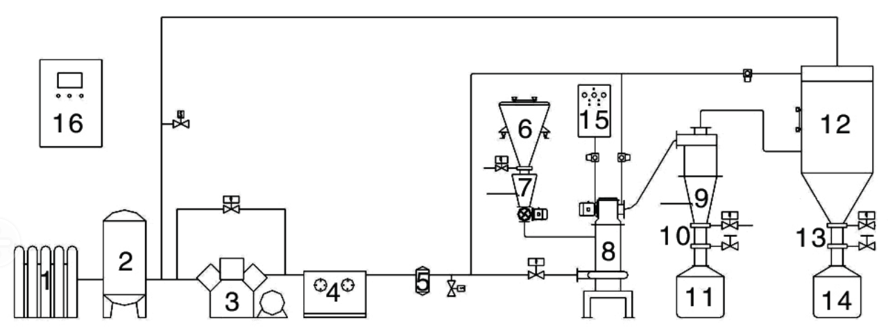
流化床氣流粉碎機是一種用高速氣流來實現干式物料超細粉碎的設備。它由粉碎噴嘴、分級轉子、螺旋加料器等組成。物料通過螺旋加料器進入粉碎室,壓縮空氣通過特殊配置的超音速噴嘴向粉碎室高速噴射,物料在超音速噴射流中加速,并在噴嘴交匯處反復沖擊、碰撞,達到粉碎。被粉碎物料隨上升氣流進入分級室,由于分級轉子高速旋轉,粒子既受到分級轉子產生的離心力,又受到氣流粘性作用產生的向心力,當粒子受到離心力大于向心力,即分級徑以上的粗粒子返回粉碎室繼續沖擊粉碎,分級徑以下的細粒子隨氣流進旋風分離器、捕集器收集,氣體由引風機排出。
產品參數:

產品特點:
不升溫,由于物料是在氣體膨脹狀態下粉碎,粉碎腔體溫度低于15℃。
無污染,因為是物料在氣流的帶動下自身碰撞粉碎,不帶入介質,這樣在物料粉碎過程中不會構成污染。
磨損小,由于主要粉碎作用是粒子相互沖擊碰撞,高速粒子與壁面很少碰撞,可適用粉碎莫氏硬度九級以上物料。
能耗低,與其它類型氣流粉碎機相比節能30%〜40%。
對易燃、易爆物料可用惰性氣體作為工作介質粉碎。
采用先進的觸摸屏,可編程控制器(PLC),實現了自動化控制。
廣泛應用于化工、西藥、中藥、農藥、冶金、非金屬礦、電池正負極材料、滑石、重晶石、高嶺土、石英、石墨、阻燃材料、陶瓷等干粉類物料的超細粉碎。
2、惰性氣體保護氣流粉碎機





3、鋰電池臥式高溫包覆釜

產品特點:
提供從實驗室90~8000L立式、臥式整體鋰電池負極生產線。
設備使用溫度達650℃。
設備機械密封采用公司獨有的專利技術解決高溫狀態下的長期運行。
高效的攪拌技術徹底解決了物料粘壁下料困難等難點。
設備采用自動化控制,避免了人為誤操作帶來的產品不穩定因素。
敬請關注2018低維碳納米材料制備及應用技術交流會
江蘇省納米技術產業創新中心、中國科學院蘇州納米技術與納米仿生研究所聯合中國粉體網將于2018年4月24-25日在蘇州金陵觀園國際酒店舉辦 “2018低維碳納米材料制備及應用技術交流會”,會議旨在共同探討低維碳材料現階段的發展中所面臨的機遇和挑戰,分享最新的研究成果,共同推動其產業化進程。
大會熱誠歡迎國內外相關領域的專家、學者、技術人員、企業界代表積極參會,同時歡迎公司、企事業單位到會展示技術成果,洽談產、學、研合作。
會務組:
聯系人:孔德宇
Tel:13661293507(微信同號)
Email:1760047578@qq.com
聯系人:劉振華
Tel:15010096957(微信同號)
Email:Expo2026@163.com
- 2015-04-08
2015新材料發展趨勢研討會-暨第七屆海峽兩岸新材料發展論壇
2015-04-11- 2015-06-09
2015年復合材料(SMC/BMC GMT/LFTD)模壓成型技術創新和市場開發應用研討會
2015-05-19- 2015-05-11


