【展商推薦】蘇州安瑞工業設備有限公司邀您出席第四屆高比能固態電池關鍵材料技術大會
中國粉體網訊 固態電池是公認最具前景的新一代動力電池,幾乎所有的動力電池企業以及車廠都在加速布局,期待能在固態電池時代把握市場主動權。隨著電動汽車1000km續航逐漸成為車企賣點,兼顧高能量密度與安全性的固態電池產業化進程提速明顯,半固態電池已經實現裝車,全固態原型電芯也已有企業研發成功。
第四屆高比能固態電池關鍵材料技術大會將于2023年2月21-22日在常州舉辦。蘇州安瑞工業設備有限公司作為參展單位邀請您共同出席。

蘇州安瑞工業設備有限公司。是一家專注于環保設備、除塵設備、廢氣處理設備、空氣凈化設備,集研發、設計、生產、銷售、安裝及售服務為一體的科技型企業。
公司擁有自己的設計團隊,具備研發和技術創新的能力,充分吸取國內外的先進技術并結合眾多客戶的實際需求,對產品不斷進行技術進步優化,完善提升產品性能,力求為客戶提供質量過硬、價格合理的產品。我司秉承以質量爭得市場、以服務贏得信譽的經營理念,期待與您的每一次合作!
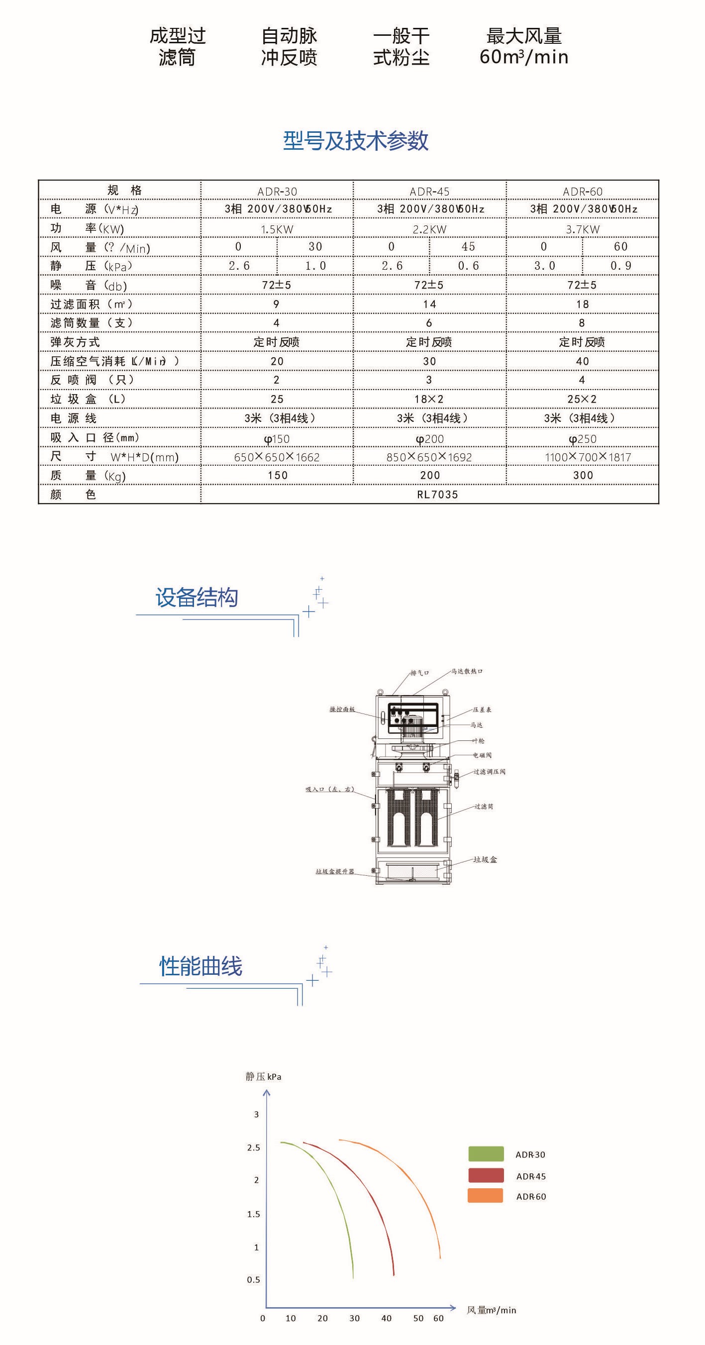
產品展示
1、高壓工業吸塵器

最高壓力達27Kpa,帶有自動反噴功能的高壓工業吸塵器,適用于細小管道吸除較重顆粒的粉塵。

2、小型集塵機

適用于單工位的小型集塵機




識別二維碼了解更多會議信息
會務組
聯系人:孔德宇
電話:13661293507(同微信)
Email:1760047578@qq.com
相關文章Relation
- 2015-04-08
2015新材料發展趨勢研討會-暨第七屆海峽兩岸新材料發展論壇
2015-04-11- 2015-06-09
2015年復合材料(SMC/BMC GMT/LFTD)模壓成型技術創新和市場開發應用研討會
2015-05-19- 2015-05-11


