中國粉體網訊 赤泥是拜耳法(目前95%的氧化鋁都采用拜耳法生產)生產氧化鋁時排出的污染性廢渣,一般平均每生產1噸氧化鋁,附帶產生1.0~2.0噸赤泥。一般含氧化鐵量大,外觀與赤色泥土相似,因而得名。

赤泥中含有多種微量元素,而放射性主要來自于鐳、釷、鉀,一般內外照白指數均在2.0以上,所以屬于危險固體廢物。
一、赤泥是如何產生的?
鋁土礦溶出后,形成赤泥和鋁酸鈉的混合漿液,漿液必須經過稀釋才能沉降或過濾使赤泥和鋁酸鈉溶液分離,分離后從鋁酸鈉溶液中生產出氧化鋁,赤泥需洗滌,降低Na2O、Al2O3通過赤泥附液途徑的損失。

拜耳法生產氧化鋁過程
通常赤泥中主要化學成分為氧化鋁、二氧化硅、氧化鐵、氧化鈣和氧化鎂,還有少量的三氧化二鈧、五氧化二釩和稀土元素等。赤泥的礦物組成與氧化鋁生產工藝和生產過程中添加劑的種類密切相關,一般含有赤鐵礦、水化石榴石、鈣霞石、鈣鈦礦、白云石、鐵鋁酸鈣等。
該工序生產效能的大小和正常運行對產品質量、生產成本以及經濟效益有著至關重要的影響。分離赤泥一般經過以下步驟:
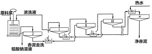
赤泥漿液稀釋→沉降分離→赤泥反向洗滌→粗液控制過濾

赤泥連續反向洗滌原則流程圖
1—溶出漿液稀釋攪拌槽;2—鋁酸鹽溶液與赤泥分離沉降槽;
3—混合槽;Ⅰ、Ⅱ、Ⅲ、n……—洗滌沉降槽
二、影響赤泥沉降分離的因素
1、礦物的形態
鋁土礦的組成和化學成分是影響赤泥漿液沉降、壓縮性能的主要因素。鋁土礦中夾雜黃鐵礦、膠黃鐵礦、針鐵礦、高嶺石等礦物能降低赤泥沉降速度,因為他們含有較多Al(OH)4-、OH-、Na+及水分子;而赤鐵礦、菱鐵礦、磁鐵礦、水綠釩等所生成的赤泥中吸附的Al(OH)4-、OH-、Na+及水分子少,所以有利于沉降。
針鐵礦在高壓溶出時完全脫水,生成高度分散的氧化鐵,而在赤泥稀釋和沉降過程中卻又重新水化,變成膠態的親水性很強的氫氧化鐵,這就是針鐵礦使赤泥沉降、壓縮性能變壞的原因。高嶺石在溶出時生產親水性很強的水合鋁硅酸鈉沉淀,因此,它的存在將使赤泥礦的沉降、壓縮性能變差。
2、溶出漿液的稀釋濃度
在一定的溫度下苛性比值相同的鋁酸鈉溶液,氧化鋁濃度低于25g/L或高于250g/L時,都有很高的穩定性,而中等濃度的(70~200g/L)的氧化鋁溶液的穩定性較差。由于他們的穩定性的原因,無法直接分解。
所以,一般用前一周期的赤泥洗滌液來進行稀釋,稀釋后溶液穩定性降低使分解速度加快,并且可以使赤泥洗滌液中的堿和氧化鋁得以回收,達到較高的分解率,使拜耳法生產的循環效率提高。但如果過度稀釋溶液會使其穩定性急劇下降,造成鋁酸鈉溶液水解,而使赤泥中的氧化鋁損失增大。
3、稀釋漿液的溫度
稀釋漿液溫度升高,其黏度和密度下降,因而赤泥沉降速率加快。漿料稀釋時的溫度在很大程度上影響鋁酸鈉溶液的穩定性,從而引起赤泥中氧化鋁損失量的變化。由下圖可知,為使較低濃度及低苛性比值的鋁酸鈉溶液在稀釋后保持其穩定性,必須將溶液溫度提高到94℃以上。

4、絮凝劑的使用
赤泥沉降分離時,一般都需要添加絮凝劑來改善沉降槽溢流質量和底流的濃稠度,提高沉降速度增加沉降槽的產能和降低生產成本。添加絮凝劑是目前氧化鋁生產上普遍采用且行之有效的加速赤泥沉降的方法。
良好的赤泥絮凝劑應具備的條件是:絮凝性能良好,用量少、水溶性好;經處理后的母液澄清度高,殘留于母液中的有機物不影響后續氫氧化鋁的分解;所生成的絮團能受剪切力;經沉降分離后,底流泥渣的過濾脫水性性能好,濾餅疏松;原料來源廣,價格低廉等。目前采用的絮凝劑有聚丙烯酸鈉、聚丙烯酰胺等。
三、赤泥的綜合利用
目前,赤泥綜合利用研究主要包括以下三個方面:一是有價金屬的提取和回收,如浸出沉淀提鋁,磁化焙燒選鐵,酸浸提取鈧、鈦、釩等稀有金屬;二是建筑材料的制備,如制備免燒磚和水泥等;三是吸附材料的制備,主要應用于廢水處理。燒結法赤泥含有2CaO·SiO2等活性成分,可直接應用于建材行業。拜耳法赤泥是采用強堿(NaOH)高溫溶出鋁土礦的尾渣,其中游離堿和結構堿含量均較高,同時幾乎不含 2CaO·SiO2 等活性成分,很難直接應用于建材行業。




















