
公司簡介
常州利萊德電力設備有限公司位于常錫交界處的山水古鎮--雪堰鎮。距我國淡水湖太湖僅一公里;距千年古城闔閭城一公里;距旅游度假區--馬山靈山大佛五公里。山明水秀,環境優美,交通便利。
公司專業生產氣力輸送系統成套設備、灰庫卸料成套設備和爐內噴鈣脫硫系統設備。也可適用于石灰粉、鋼廠鐵粉、各種礦粉、塑料粉、水泥等干燥粉狀物料的輸送。
公司成套設備使用全過程從接收、輸送到卸料,均處于密封狀態,對控制煙塵,粉塵顆粒排放、廠區清潔、減輕員工生產強度和確保員工身心健康均起到決定性作用。是火力發電廠和各種干燥粉料輸送車間、粉塵排放場所必備的環保設備。
公司具有雄厚的技術力量;技術精湛的一線生產工人;經驗豐富的安裝技術隊伍;可承擔工程設計、成套設備制造、安裝調試、配件供應、售后服務等一條龍服務。
部分產品介紹
1.LD型濃相氣力輸送泵
LD正壓濃相倉泵工作過程的四個階段:
(1)進料階段:
進料閥打開,物料自由落入泵體內,當泵體內上升物料觸及料位計后,料位計發生料滿信號,進料閥自動關閉,完成進料過程。
(2)流化加壓階段:
進氣閥自動開啟,壓縮空氣進入泵體底部,擴散后穿過流化床,在物料充分流化同時,泵內氣壓上升。
(3)輸送階段:
當泵內壓力達到一定值時,壓力傳感器發出信號,出料閥自動開啟,流化床上的物料流化加強,輸送開始,泵內物料逐漸減少,此過程中流化床上的物料,始終處于邊流化邊輸送狀態。
(4)吹掃階段:
當泵內物料輸送完畢,壓力下降到管道阻力時,指示燈發出信號,通氣延續一定時間,壓縮空氣清掃管路,然后進氣閥關閉,間隔一定時間,關閉出料閥,打開進料閥,完成一次輸送循環。
2.KD、KC型庫底、庫側卸料器
卸料器,是除塵設備排灰、送風及其他設備給料的主要設備,適用于粉狀物料和顆料狀物料。
分類:卸料器主要分為A型卸料器、B型卸料器。
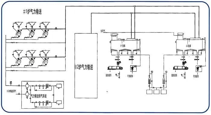
3.正壓濃相氣力輸送系統
正壓濃相氣力輸送系統引進瑞典菲達公司和澳大利亞AB公司先進技術及經驗,結合科學實驗,經過300多套系統調整和完善,被確認為是一種既經濟又可靠的氣力輸送系統。該系統輸送灰氣比高,耗氣量少,輸送速度低,有效降低管道磨損。該系統主要由壓縮空氣氣源系統、LD濃相型倉泵輸送系統、控制系統、輸送管道以及灰庫五大部分組成。
(1)倉泵
接受除塵器集灰斗的飛灰,經充分流化后通過輸灰管道進入灰庫。
(2)壓縮空氣氣源
由空氣壓縮機.過濾器、干燥器、儲氣罐及壓縮空氣管道組成,主要為倉泵及氣控元件提供高質量的壓縮空氣。
(3)控制柜
以PLC主控全系統,并附有就地手控操作。
(4)輸送管道
一般采用普通無縫鋼管,彎頭采用耐磨陶瓷彎頭,能適應長遠距離輸送。
(5)灰庫
由灰庫本體、布袋除塵器、真空釋放閥、料位計、卸灰設備等組成。
本系統中,兩臺或兩臺以上的倉泵組成一個輸送單元,向一條輸送管中同時輸送,與單位倉泵系統比較,大大提高了系統的輸送效率,系統的經濟性提高。該系統主要用于較大灰量的除塵器灰斗。
主要特點
(1)多臺倉泵串聯輸送,適合大中型機組多電場、多灰斗的除灰工藝條件。
(2)輸送距離可達500~800m
(3)輸送出力大,能耗低
(4)經濟性好,效率高
4.雙軸加濕攪拌機
概述
JS型濕式攪拌機為火電廠粉煤灰干灰調濕攪拌設備。該設備吸收了國外先進技術,通過專家反復論證,用戶實踐證明,各項性能基本優于國內同類產品水平,其突出優點為物料攪拌均勻、出力大、噪音小,并較好地解決了粉塵污染問題,深受用戶一致好評。
主要結構及工作原理
JS型濕式攪拌機分二種結構形式,雙軸與單軸攪拌。其主要由機體與傳動二大部分組成。
電機與減速機等組成的傳動部分:主要通過減速機上的聯軸器小齒輪帶動支承在軸承座上的主軸齒輪轉動,并通過主軸齒輪帶動從動軸上的齒輪及從動軸轉動。
當物料由進料口進入機體后,由于主軸的轉動使裝在主軸上帶有一定角度的多組葉片旋轉,物料經過充分拌和后由出料口輸送到下一工序,或用運輸機械裝運。
物料加水與物料攪拌同時進行,噴水組是由水管及許多噴頭、閥門等組成,灰的含水率可根據需要進行調節。
欲了解更多,點擊進入常州利萊德電力設備有限公司>>
















