隨著科學技術的飛速發展,半導體材料的革新速度也進一步加快。當前,碳化硅作為第三代半導體材料的典型代表,在新能源汽車、光伏、儲能等新興領域正快速滲透,已成為全球半導體產業的前沿和制高點。同時,我國“十四五”規劃已將碳化硅半導體納入重點支持領域,碳化硅半導體將在我國5G基站建設、特高壓、城際高速鐵路和城市軌道交通、新能源汽車充電樁、大數據中心等新基建領域發揮重要作用。
近年來,我國在SiC材料領域取得了顯著進展,但與國際先進水平相比,在晶體生長技術、晶圓加工技術等方面仍存在一定差距。SiC晶體生長過程中面臨著晶體缺陷控制、生長速率提升、晶體質量穩定性等難題;晶圓加工方面,則存在加工精度不足、良品率低、加工成本較高等挑戰。在當前倡導節能減排的大趨勢下,快速穩定地突破碳化硅單晶尺寸和質量等關鍵問題,才能夠更好地占據未來碳化硅市場。
在此背景下,中國粉體網將于2025年8月21日在江蘇·蘇州舉辦第三代半導體SiC晶體生長及晶圓加工技術研討會,大會將匯聚國內行業專家、學者、技術人員、企業界代表圍繞晶體生長工藝、關鍵原材料、生長設備及應用、碳化硅晶片切、磨、拋技術等方面展開演講交流。中科紅外(北京)科技有限公司作為參展單位邀請您共同出席。

深厚背景
中科紅外(北京)科技有限公司,前身為北京三博中自科技有限公司紅外事業部,同時也為中科院自動化所紅外測溫課題組,公司位于北京中關村高新技術園區海淀園內。
悠久歷史
團隊最早源于1962年,由老一輩科學家為完成國家兩彈一星任務,實現對原子彈氫彈的火球測溫而創立。1985年以后,團隊將紅外技術產品化應用于科研與工業領域。2001年起,紅外測溫團隊轉入研究所參股公司——北京三博中自科技有限公司,作為其下屬獨立運作的紅外事業部。2017年起,為了更加有利于紅外測溫事業的發展,紅外測溫團隊以公司實體——中科紅外(北京)有限公司的形式來進行紅外測溫儀的研發、生產與銷售等運營工作。
傳承創新
從中科院自動化所紅外測溫課題組、北京三博中自科技有限公司紅外事業部,再到現如今的中科紅外(北京)科技有限公司,企業傳承紅色基因,實踐創新之路,60余年來,從研制出中國第一臺紅外測溫儀到如今形成7大系列的產品系,從服務國防與航天領域到全面面向工業應用,始終堅定信念,步履不停,以高瞻遠矚的格局視野和自主可控的先進技術,走出了一條傳承與創新的發展之路。
雄厚實力
企業匯集了大批有豐富理論研究和工程實踐經驗的科技精英,擁有實力雄厚的研發中心、先進的技術設備、齊全的實驗室和產品測試環境。現有高級研發人員10余人,在產品研發設計上,有豐富的經驗和人才儲備。我司承擔并完成多項重點項目,并多次獲得國家級、中科院級、省部級科學技術進步獎。
產品系列
團隊30年來研制開發的(S)CIT系列紅外測溫儀,是將國防(原子彈、氫彈、火箭燃氣測溫等)紅外探測技術應用于工業領域的高科技產品,該系列產品已獲得CE認證、ROHS認證、計量認證。與此同時,企業管理已通過ISO19001質量管理體系認證。
產品介紹
1、CIT-MD系列 比色測溫儀

測溫范圍:200~3500度,分段,可定制
● 比色測量,相比單色測溫儀,準確性更高。
● 多種瞄準方式可選:目視光學瞄準、激光點瞄準、視頻瞄準
● 螺旋調焦, 并帶刻度指示,多種調焦范圍(安裝距離)可選,能測小目標
● 可不受窗口玻璃影響、測溫值不受被測材料輻射率
(與材料、及表面光潔度、氧化程度相關)影響
● 測量時目標可不充滿測量區域,可以精確測量小目標
● 抗煙霧、水蒸氣和灰塵能力強,電源接線全保護,輸出全隔離
● 最大值、平均值測溫均有兩種方式可選
● 整機結實密封,且帶環境溫度補償,適于環境條件惡劣的工業現場中使用
主要型號選型表

技術性能

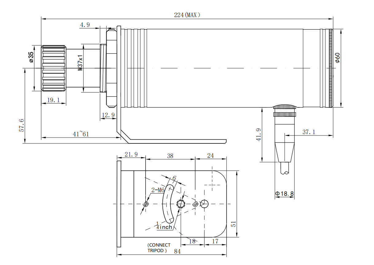
外形尺寸

2、SCIT-M系列分離式紅外測溫儀

● 溫度范圍100-3500,分段
● 帶真實測溫區域的光學瞄準,螺旋調焦, 并帶刻度指示
● 可以精確測量小目標最小可測1.7mm ,近焦系列最小可測0.3mm
● 整機結實密封,且帶環境溫度補償,適于環境條件惡劣的工業現場中使用
● 抗煙霧、水蒸氣和灰塵能力強
● 儀表可選最大值、平均值測溫,穩定最大值、穩定平均值
● 標配變送輸出0/4-20mA,并接250歐后,可輸出0/1-5V
● 儀表可配RS485通訊
● 高低溫報警,6種模式
● 兩種儀表規格,長方形A型:160*80,正方形B:96*96

焦段選擇:
焦段選項 | 調焦范圍
最小測量點大小 (mm) 距離系數 | 120:1 | 180:1 | 300:1 |
SF0: | 85mm-105mm | 0.7 | 0.5 | 0.28 |
CF1: | 125mm-165mm | 1 | 0.7 | 0.4 |
CF2: | 180mm-250mm; | 1.5 | 1 | 0.6 |
CF3 | 210mm-300mm; | 1.75 | 1.2 | 0.7 |
CF4 | 300mm-500mm; | 2.5 | 1.7 | 1 |
SF | 500mm~∞ | 4.2 | 2.8 | 1.7 |
定制 |
會務組
聯系人:段經理
電話:13810445572
郵箱:duanwanwan@cnpowder.com

識別二維碼了解更多會議信息
















