企業介紹
江蘇紐普蘭能源環境科技有限公司位于江蘇省國家低碳生態示范園區,自1987年以來,一直致力于環保產品的研發、設計、制造。為電力、治金化工、建材、糧食等行業提供多項環保技術解決方案。
紐普蘭能源以創新驅動發展,堅持自主研發和引進消化并舉的技術創新之路,公司技術團隊和高等院校及科研院所建立聯合科研平臺,與中國環境科學研究院、浙江大學、東南大學等高等院校進行產學研合作,先后引進美國MARSULEX、芬蘭PNEUPLAN、法國HIBON、美國GE、美國ABB多項技術,并獲得25項國家發明專利和65項實用新型專利。
公司擁有煙氣濕法脫硫技術,爐內多點噴鈣脫硫技術,布袋除塵及電袋復合除塵技術,正壓濃相、負壓、正負壓一體化超長距離氣力輸送技術,粉煤灰分選及磨細技術,散裝物料裝卸技術,建立了多個示范工程項目,并且在多個項目實踐,取得了良好的社會效益、經濟效益,獲得了用戶的認可。未來可期,紐普蘭將全面推行智能環保產品,服務智能化,為客戶提供智慧環保,節能環保,全面解決方案!
正壓濃相氣力輸送技術

基于紐普蘭多年工程技術經驗,利用專業的軟件包,確保我們所作出的每一份系統選型都是可靠的。氣輸送系統中最重要的關鍵部件進出料閥采用世界上先進的氣動圓頂閥或硬密封擺動閥。配合倉泵底部的獨特的灰氣預混合裝置及深度穩定裝置,既保證了較高的灰氣比,降低了能耗,又保證了系統輸送流速低、管道磨損小,年運行維護費用低。
負壓氣力輸送技術

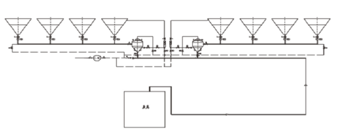
負壓氣力除灰系統系利用抽氣設備的抽吸作用,使系統內形成真空,集灰斗內的干灰通過鎖氣器、受灰器,隨吸入一起帶入輸送管道,經系統未端的收塵裝置,使氣灰分離,灰存入灰庫內,經凈化后的空氣通過抽氣設備排入大氣。
正負壓氣力輸送技術

CGL型正負壓一體化多功能泵輸送系統
采用輸灰管道流量孔板控制輸灰管道入料點前后輸送壓縮空氣參數,利用入料點前后輸送壓縮空氣流速度差和多功能泵內壓力與入料點輸送壓縮空氣壓力差,控制多功能泵出料速度、入料點輸送濃度、氣灰混合輸送速度(即初速度),達到多功能泵均勻出料、順利正壓輸送的目的。
欲了解更多,點擊江蘇紐普蘭能源環境科技有限公司進入>>





















