企業介紹
昆山強迪粉碎設備有限公司坐落于美麗的江南水鄉——江蘇省昆山市高新區優德路。公司堅持“以質量求生存,以創新求發展“為企業宗旨,多年來全心全意的服務于客戶,企業通過IS09001:2008企業質量認證。 公司擁有多名在大型企業二十年以上工作經驗的技術開發工程師,具有大型企業的成熟技術經驗,又具有民營企業在管理成本、技術創新、生產交貨期和售后服務方面的靈活性。公司熱誠地聆聽客戶的聲音,為客戶提供最佳的解決問題方案。 公司產品遠銷世界各地:德國、巴基斯坦、韓國、越南、印度、意大利、緬甸等等。在客戶的信任與公司共同的努力下,強迪在過去幾年里一直在不斷的擴大,但是公司從來沒有停止追求卓越,強迪真誠地希望與所有的商業伙伴共同努力和雙贏。
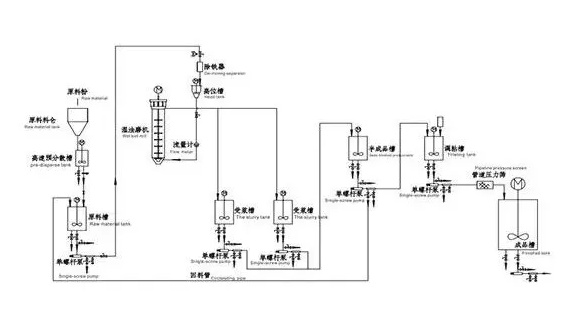
部分產品介紹 流化床氣流粉碎機 符合GMP/FDA 要求的氣流粉碎機 特點: (7)配合客戶做相關FAT.SAT.DQ.OQ.IQ.PQ認證。 (1)可配合各類干式粉磨機械(氣流磨、行星磨、球磨機、雷蒙磨、振動磨等)組成閉路系統,提高工作效率。 (2)適用于干法微米級產品的精細分級,可分級球狀、片狀、針狀的顆粒,也可對不同密度的顆粒進行分級。 (3)采用最新的分級轉子以及內部分級機構,分級精度和分級效率有顯著提高。可獲得97%小于5 um的產品,分級效率達到90%以上。 (4)控制系統采用先進的PLC自動化控制,運行狀態實時顯示,操作簡便。 (5)系統負壓運行,粉塵排放量和設備噪音,滿足國家環保要求。 (6)使用一臺濕法攪拌磨可連續作業,獨立完成一種產品的研磨,也可通過反復循環進料完成兩種或以上產品的研磨。
(1)不升溫,由于物料是在氣體膨脹狀態下粉碎,所以粉碎腔體溫度控制在低于常溫狀態,且可長期工作,溫度不會升高。
(2)無污染,因為物料在氣流的帶動下密閉自身碰撞粉碎,且可以通過對設備特殊處理,使物料粉碎過程中不會構成污染,控制鐵含量等因素。
(3)磨損小,由于粉碎作用是粒子自身互相碰撞粉碎,高速粒子與筒壁碰撞較小,適用硬度較高的物料。
(4)針對易燃、易爆、易氧化物料,可采用相應的氣體介質做循環閉路粉碎。
(1)適用于干式超細粉碎工藝,由于氣流速度高,沖擊力大,可生產出0.5~10微米的粉體顆粒。
(2)藥物粉體在氣流膨脹工況下粉碎,不會升溫,適用于熱敏性、低熔點、含糖份及有揮發性物料的超細粉碎。
(3)產品設計,材質選用完全按照GMP/FDA的要求。
(4)通過氣源三級過濾(粗過濾、精密過濾、除菌過濾)、全系統密閉粉碎、粉碎過程物料自身碰撞粉碎,以及采用特殊設計,杜絕油進入,實現粉碎物料和環境的無污染。
(5)采用智能化控制系統,實現精確控制粉碎過程,保證粒度分布窄、且均勻。
(6)設備結構簡單,內、外壁光潔度高,無死角,易清洗。

(1)LSM濕法攪拌磨綜合吸收了研磨、砂磨、塔磨等設備特點,具有效率高、噪聲低、處理能力大、操作維修方便等優點。
(2)當給料粒度為325目時,經二次研磨可達-2μm95%以上(平均粒徑0.6um以下)。
(3)可超細研磨,又可得到流動狀態極佳的漿狀物。
(4)磨機簡體磨盤采用耐磨材料及高硬度耐磨合金材料,設備使用壽命長。
(5)使用的磨機介質耐磨、粒徑大小配比科學,在研磨過程中無鐵質污染,不影響產品白度。
欲了解更多,點擊昆山強迪粉碎設備有限公司進入>>





















