
珠海歐美克儀器有限公司
白金會員
已認證

珠海歐美克儀器有限公司
白金會員
已認證

沈興志
珠海歐美克儀器有限公司產品經理,中國顆粒學會青年理事,全國顆粒表征與分檢及篩網標委會顆粒分技術委員會委員,具有超過20年的光學分析儀器的技術工作經驗。主要從事粒度分析儀、Zeta電位分析儀、光譜儀等光學儀器在多種不同領域的應用解決方案研究和開發、技術支持、應用培訓和推廣等方面工作,并參與相關儀器的開發和完善。協助分析儀器需求者開發和優化合適的測試方法,使測試結果更可靠。提供分析儀器在產業鏈中的質控方法的管理和質量信息的傳遞的技術咨詢和服務,使分析儀器能發揮其最佳的性能和社會效益。
要點提示
“在電池材料研發和生產過程中, Zeta電位直接表征了漿料中顆粒的滑動界面的帶電情況,預示了顆粒間趨向于彼此獨立,還是凝聚和沉降的情況,可以指導電極漿料、導電漿料等的配方研究、加料順序/混合一致性/制漿產品穩定性/涂布的適用性等工藝開發、過程制品的質量評價和終產品的質量預期等。通過多種不同物料的Zeta電位分析,可以預測材料之間混合均勻的難易程度、大顆粒聚集體產生的可能性、漿料與基材之間的親和性等。隨著材料顆粒尺寸不斷細化,Zeta電位的表征正在對漿料生產中提高產能、降低成本變得越來越重要。”
上期閱讀:《連載 | 電泳光散射Zeta電位表征技術在鋰電生產中的應用(一)》
高分子改性漿料配方開發中
Zeta電位分布分析的案例
在改善鋰離子電池性能的過程中,研究人員大多把精力放在活性物質材料研究與改性上,而分散介質、導電劑、粘結劑、穩定劑、表面活性劑等物料的理化特性、形貌及其與活性物質之間相互作用,以及在電極漿料制備過程中漿料分散性控制等因素也影響巨大。
添加劑是鋰離子電池漿料中重要的組成部分,在漿料制作過程中或制作完成后,漿料中的各種物質會隨著時間變化又逐漸發生團聚,大顆粒物質可能會發生沉降和析出,導致漿料分散不均勻,恰當的添加劑和添加比例,能夠與漿料中活性物質或導電劑顆粒發生相互作用,從而產生靜電力或空間位阻來阻止團聚發生。

▲ 表面改性工藝過程示意圖(投料-混料過程-工藝終點)
電極活性材料和配方能夠決定電池性能所能達到的上限,而工藝過程則決定了其真實性能,因此在產品生產中應盡可能完善工藝過程,使其真實性能趨近于性能上限。
以某低聚高分子添加劑處理的改性漿料開發為例,在該案例開發中,使用常規相位光散射Zeta電位測試技術進行漿料穩定性評價時,批次A的復合漿料測試Zeta電位平均值為-59.8mV,理論上滿足了分散良好預期要求(一般以絕對值30mV為界),但在該漿料儲存和輸送中遇到了產生少量大顆粒聚集體的質量問題。

在OMEC NS-90Z Plus納米粒度和電位分析儀中,啟用恒流模式下快慢場混合Zeta電位分析技術,重新檢測該樣品時,我們發現該雖然樣品Zeta電位均值處于處于預期穩定的區間,但其顆粒Zeta電位的離散度很大,顯示了顆粒之間表面電化學情況的一致性較差。

對于顆粒表面Zeta電位的一致性差使得過程產品質量不良的情況,常規的處理辦法包括更換表活或增加表活的含量等配方的優化或延長混勻的時間或均質的次數等的工藝優化。在本案例中,通過更改配方中低聚高分子表活的添加比例和延長均質工藝時間都獲得了更高的Zeta電位,如下圖所示:


在對兩種改善措施的實施后的漿料的Zeta電位分析結果可以看到:增加表活量后Zeta電位的分布向絕對值更高遷移,雖然電位分布離散度依然較大,但不存在0 Zeta電位附近顆粒的分布;增加工藝時間后Zeta電位離散度得到了控制,預示著顆粒表面的表活吸附一致性得到了提升。從分析結果的預期和實際產品性能上看,兩種措施都能解決了產生異常大顆粒聚集體的問題。
如此同時,雖然添加劑可以有效地改善漿料的分散性以及電化學性質,但是其屬于非活性物質,其含量也會影響電池的能量密度,商業化的鋰離子電池基于能量密度及添加劑成本的考慮都應嚴格控制添加劑的使用量,Zeta電位分布的表征測量可以幫助企業獲取針對該質量問題解決的最優成本和質量條件下的解決方案。


▲ 歐美克NS-90Z plus納米粒度及Zeta電位分析儀
NS-90Z Plus 納米粒度及電位分析儀在一個緊湊型裝置儀器中集成了三種技術進行液相環境顆粒表征,包括:利用動態光散射測量納米粒徑,利用電泳光散射測量Zeta電位,利用靜態光散射測量分子量。
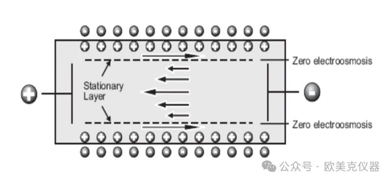
歐美克NS-90Z Plus秉承馬爾文恒流模式下快慢場混合Zeta電位分析技術可以大幅改善Zeta電位和電位分布測試精度。在傳統的Zeta電位電泳光散射測試中,樣品池中部樣品顆粒在電場驅動中做定向運動,與此同時,受重力和氣壓平衡的作用沿樣品池壁會出現反向的樣品回流,這個現象被稱作電滲。電滲作用的強度會隨著介質體系的粘度,溫度,電泳淌度及樣品電導率等多重因素的影響,使得管壁的介質流與反方向的電泳運動產生不可忽略的影響,從而導致Zeta電位測試不準。

電場轉換Zeta電位分析技術正是用于解決電滲原因造成的電位分布測量不準確的問題。在正向電場工作一個短暫時間后,切換電場使顆粒反向運動,使電滲作用的不利影響下降。電場頻率切換越快,電滲作用的影響越小,樣品的平均電位結果更準確。
是不是電場切換頻率越快越好呢?也不是。
在極短的正負電場切換時間內(高頻轉換),由于顆粒表面所帶Zeta電位的高低不一樣,部分帶電低的顆粒可能尚未達到運動的平衡態,而導致其測試結果不準,也就是此時Zeta電位分布結果可能存在偏差。解決Zeta電位分布測量準確性的方法就是降低電場切換頻率(低頻轉換),而此時電滲的影響有突顯出來。
因此,歐美克的納米和電位分析儀,引進了馬爾文首創的快慢場混合Zeta電位分析技術,將快場準確的電位中值和慢場準確的電位離散分布數據進行整合,輸出準確的Zeta電位和電位分布結果,顯著提高了Zeta電位分析的適用范圍和分辨能力,即使對具有不同Zeta電位的組分的混合樣品也具有準確的識別能力。

同時,為了進一步提升Zeta電位測試結果的重現性,恒流模式以比色皿中樣品周圍電流的監控和調制來提高測量體系不穩定或電極極化或老化情況下的測試性能,使測試結果具有更好的重現性和更高的準確性。同時相對于恒壓模式,可以支持更高電導率樣品的測試,還能明顯提高電位樣品池的使用次數。
導電石墨和石墨烯漿料配方開發中Zeta電位測量案例
在一個儲能應用的印刷電極的研究案例,具有高含量膠體石墨和石墨烯(15-25%體積含量)的PLA基復合材料開發過程中,通過漿料配方和生產過程的材料的Zeta電位表征測試和數據分析進行優化,以提高電極成品中材料的顆粒微觀結構空間排布的形態和一致性,從而獲得電極對熱、熱流變、機械和電學性能的提升。
原材料
該案例中采用中值粒徑D50分別在0.9和22微米的石墨烯和石墨作為原材料進行制漿配方的開發。石墨烯和石墨原材料的粒徑分別由動態光散射的納米粒度儀和靜態光散射的激光粒度儀測量獲得。

通過對介質中材料表面的Zeta電位的控制,可以有利于材料的分散穩定和易加工特性,從而避免下游工藝不良和成品質量問題。對漿料中顆粒材料的表面修飾、改性、活化處理,對介質的pH值、離子強度及表面活性劑的配方優化,是進行漿料顆粒Zeta電位控制的常規手段,電泳光散射的Zeta電位測試儀器在其中發揮著關鍵的作用。

確定初始工藝條件pH
如下圖所示,在對石墨與石墨烯原材料進行不同pH值條件的Zeta電位分析中可以看到,當介質pH從酸性到堿性的遷移過程中,碳材料的Zeta電位呈現從正30mV左右向負30mV左右的遷移,在中性7左右的pH值條件下Zeta電位表現出趨于穩定的負值,但其絕對值仍然在30mV以內,對于物料存儲、轉移和下游工藝都存在不確定因素,與此同時帶負的顆粒電位與常見的帶負電的基材在涂布和輥壓中可能增加工藝的難度。最終根據實際條件,選取這個避開等電點的pH值附近來進行進一步的漿料配方開發。

確定聚乙烯亞胺(PEI)分散劑的添加量

由于表面活性劑選擇性吸附顆粒,形成了新的顆粒雙電層結構和電荷分布,從而改變其Zeta電位和材料的理化特性。對不同PEI添加量的石墨烯和石墨樣品進行Zeta電位測試,可以發現,在加入PEI后顆粒表面電位由負值往正值方向遷移,但是石墨烯和石墨兩種材料達到飽和所需要添加PEI的量有所差異。
在石墨烯漿料中,僅添加0.5%的量就達到了正30mV的電位值,在1%的添加量呈現飽和趨勢,Zeta電位值停留在40mV,不再隨表活量的增加而增加。在石墨漿料中,PEI添加量到4%后才趨向于飽和,且最終的表面電位也僅在10mV左右。
在這個例子中我們可以看到,不同材料、材料與介質的親和性、材料和表活的吸附特性等多重因素共同決定了最終的漿料特性的不同,通常還需要結合膠體/漿料的流變學特性以確認最適合下游工藝和質量的配方。

在該案例中,經過配方的優化,改善和指導了下游定向涂覆3D印刷電極的工藝效果,同時也發現不同的配方和材料下達到最佳電導率的工藝方向的差異,最終達到了印刷電極中22 S.m-1的高電導率成果,Zeta電位的測試結果對配方和工藝的確認是其中關鍵質量要素之一。與之對比,基于石墨材料優化工藝后的印刷電極最終達到了8 S.m-1左右的電導率成果。
參考文獻:
1.Material thermal extrusion of conductive 3D electrodes using highly loaded graphene and graphite colloidal feedstock, Oxel Urra Sanchez etc., Additive Manufacturing, 72(2023) 103643.
相關產品
更多
相關文章
更多
技術文章
2025-08-18技術文章
2025-08-11技術文章
2025-07-14技術文章
2025-04-09
虛擬號將在 秒后失效
使用微信掃碼撥號