
北京精微高博儀器有限公司
白金會員
已認證

北京精微高博儀器有限公司
白金會員
已認證

生物燃料是所有非化石燃料衍生燃料的統稱,最簡單的形式可以是通過發酵從甘蔗或玉米中提取乙醇。但是,酒精不具備汽油或柴油等更傳統化石燃料的高能量含量,目前更努力探索旨在開發出確實類似于汽油或柴油的生物燃料。
生物燃料有多種來源,例如城市垃圾、木屑、大豆或藻類。根據來源不同,使用不同工藝,需使用不同參數和條件的反應器,以下我們將看到生物燃料生產的三個過程,其中都由BenchCAT反應器參與了解決方案。
生物質氣化
Via Gasification of Biomass
制造合成燃料的最古老并最知名的工藝應該是費托合成工藝(F-T),最初的工藝開發于19世紀20年代至30年代,到30年代后期在德國已經商業化,F-T工藝被用于生產汽車和軍事裝備的燃料。
F-T工藝能夠從任何類型的含碳生物質中生產生物燃料,例如城市垃圾、木屑、纖維素草等。該工藝的第一步是將生物質氣化,形成H2 + CO合成氣。然后,使用催化劑(通常為鐵或鈷)將合成氣經F-T工藝制成碳氫化合物。通過控制幾個工藝參數,例如溫度、壓力、H2 / CO比例,可以控制產品的成分。使用F-T工藝生產的產品廣泛,包括從輕烴到重蠟。
生物質→氣化→合成氣→F-T工藝→燃料
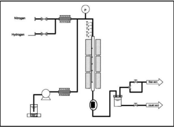
圖1展示了我們設計的典型F-T BenchCAT反應器,四路進氣包括H2和CO(合成氣),用作稀釋劑的N2和用作分析內標的Ar,盡管要求的工作溫度和壓力較低,但該F-T反應器被設計成能用于在400°C和1500 psig的壓力下運行。使用了三個分離器,第一個溫度保持約150℃,用于收集較重的產品例如蠟,第二個溫度保持在80℃,收集碳氫化合物和一些水,第三分離器保持在大約室溫下,以收集較低端的產物和大量的水,所有分離均在相應壓力下進行。

圖1. 典型的F-T BenchCAT 反應器示意圖
來自乙醇
From Alclhols
制造合成燃料古老并知名的工藝應該是費托合
如之前提到乙醇可以被認為是一種生物燃料,盡管它的能量含量降低,乙醇很容易通過發酵任何含糖或淀粉的物質中產生,然后可以通過催化縮合將其轉化為更常規的燃料。例如可以通過使低鏈醇在ZSM-5的沸石上反應來獲得汽油類產品,使用堿催化的醛醇縮合可以得到更長的產物。
含淀粉的材料→乙醇→冷凝燃料
這種方法可以在常規的固定反應器中進行。圖2描繪了可用于醇縮合的反應器。使用泵將液體醇進料,并且氣體和液體進入反應器之前先通過預熱器。熱交換器和氣液分離器位于高壓區。氣體產物從分離器的頂部流出,液體產物從底部排出。液位傳感器和自動閥可使該過程完全自動化。

圖2. 用于研究醇縮合反應的BenchCAT反應器示意圖
通過酯交換
Via Trans-Esterification
生物燃料也可以通過油/脂質與簡單的醇(例如甲醇)進行酯交換反應來獲得,經研究使用各種脂質來源如菜籽油、大豆油、廢植物油和藻油等,在催化反應中使用堿為催化劑通常是NaOH,該反應也可在超臨界條件下進行,可選擇使用催化劑或不使用催化劑。
生物油→甲醇作用下的催化反應或超臨反應→燃料
圖3是用于油的催化和超臨界酯化的反應器示意圖。
圖4是反應器的照片,該定制反應器在室溫下的額定工作條件為350℃和350 bar(約5200 psig)或700℃,700℃是用于預處理催化劑的額定溫度,為了滿足這雙重條件,管式反應器由Inconel材料構成。在該反應器中,降壓發生在產物收集之前。

圖3是用于油的催化和超臨界酯化的反應器示意圖。

圖4. 用于脂質超臨界酯交換反應的BenchCAT反應器照片
總之,無論您對自動化的、高研究質量反應器有何特殊要求,我們都能提供并滿足您需求的技術和理論知識。我們在催化科學、催化劑表征及生物燃料研究的BenchCAT反應領域擁有豐富的經驗。

精微高博(JWGB)成立于2004年,推出中國第一臺靜態容量法氮吸附儀JW-RB,被譽為“中國氮吸附儀的開拓者”。19年來已發展為集研發、制造、銷售、服務于一體的國家級高新技術企業,專業從事于靜態比表面積及孔徑分析儀、動態比表面積測定儀、蒸汽吸附儀、化學吸附儀、競爭吸附儀、微反裝置、真密度儀等材料表征設備的研究。是中國材料表征儀器的領先制造商,產品銷售全球十幾個國家和地區,致力于向全球客戶提供高質量、高易用性、高性價比的產品和服務解決方案。

最新動態
更多
虛擬號將在 秒后失效
使用微信掃碼撥號