中國粉體網訊  目前,生長SiC晶體最有效的方法是物理氣相傳輸法(Physical VaporTransport,即PVT法),且在升華系統中形成的晶體具有較低的缺陷水準,因此也是主要商業化量產的技術。在采用PVT法生長SiC晶體時,生長設備、石墨元件和保溫材料無法避免受到氮雜質的污染,這些材料會吸附大量的氮雜質,從而導致所生長的SiC晶體中氮雜質含量較高。
目前商業化生產的高純SiC粉體原料純度一般只能達到99.999%的純度,其中的氮含量大都在5×1016個/cm3以上的水平,嚴重影響其后續產品——高純半絕緣碳化硅單晶中的氮含量。因此,降低粉體原料中氮雜質含量,對于制備高純半絕緣碳化硅晶體具有重要的意義。以下,依據天眼查公開的幾家知名企業專利情況,介紹高純碳化硅粉料制備的相關技術。
    
河北同光半導體股份有限公司
目前通用的高純碳化硅粉體合成技術,主要采用高純硅粉和高純碳粉高溫固相合成,即自蔓延高溫合成。為解決傳統自蔓延合成SiC粉體存在的氮雜質濃度過高的問題,河北同光半導體股份有限公司發明了一種可用于高純半絕緣SiC單晶生長用的低氮雜質濃度的碳化硅粉體合成方法。該方法采用了高溫時與氮元素發生化學反應的除氮物質,所形成的氮化物在碳化硅合成溫度范圍內以穩定的形態存在,有效避免氮雜質進入碳化硅晶格中,突破了目前傳統的碳化硅原料合成方式,實現了低氮含量的碳化硅原料合成,其氮含量低于2×1016個/cm3,該原料尤其適于高純半絕緣SiC單晶的生長。

1、坩堝上蓋,2、坩堝,3、除氮物質,4、碳、硅混合物,5、感應線圈,6、保溫氈。
該方法包括以下步驟:
(1)將硅原料和碳原料充分混合;
(2)在硅原料和碳原料混合物中加入除氮物質,之后將含有除氮物質和碳硅混合物原料的坩堝置于反應室中;所述坩堝材料為高純石墨,純度為99.9995%以上;
(3)對反應室抽真空,降低反應室中的氧氣與氮氣的含量;
(4)對反應室加熱,升高溫度,使除氮物質與氮元素反應,形成在2400℃以下不會發生分解的固體或氣體形態的氮化物;
(5)向反應室中通入惰性氣體,維持反應室的壓力,逐漸升高反應室的溫度,使碳原料和硅原料發生反應,逐漸降溫至室溫,結束反應;
(6)將所得到的碳化硅中的氮化物除去,得到低含氮量的碳化硅原料。
北京天科合達半導體股份有限公司
天科合達發明了一種低氮含量碳化硅粉料的制備方法及碳化硅單晶,制備方法包括以下步驟:將高純硅粉、高純石墨粉與易揮發高純有機物混合,在惰性氣氛下待易揮發高純有機物揮發至初始質量的10%以下,將混合物料燒結,得到低氮含量碳化硅粉料。該發明采用易揮發高純有機物在制備碳化硅粉料過程中將原料表面以及晶界處的氮帶走,進而降低產品中氮含量。實驗結果表明:碳化硅粉料和單晶的氮含量均小于5×1016個/cm3。

中電化合物半導體有限公司
中電化合物半導體有限公司發明了一種碳化硅粉料的合成方法,包括:通過將高純碳粉和高純硅粉進行混合,并裝入石墨坩堝內,其中石墨坩堝內設有氟化石墨內襯,將所述石墨坩堝放置爐腔內;將所述爐腔升溫,并在升溫過程中,向所述爐腔內通入氫氣與惰性氣體的混合氣體,且所述氟化石墨內襯分解釋放含氟氣體;抽出所述爐腔內的氣體,使所述高純碳粉和所述高純硅粉反應,得到中間相產物;將所述爐腔升溫,使所述中間相產物反應生成碳化硅粉料。通過該發明提供的一種碳化硅粉料合成方法,能夠得到高純度的碳化硅粉料。

山東天岳先進科技股份有限公司
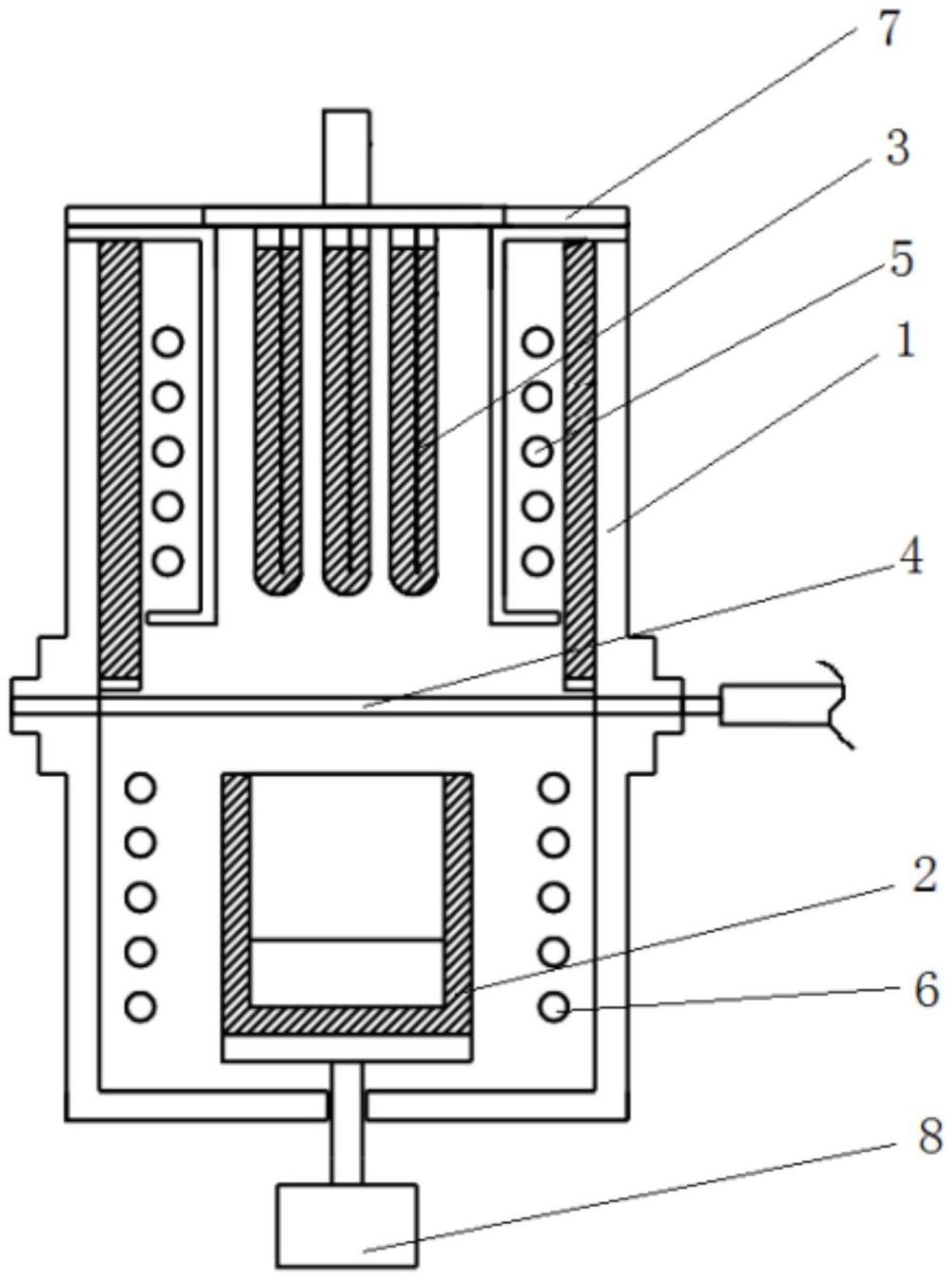
天岳先進發明了一種制備碳化硅粉料的裝置及方法,該裝置包括:爐體,爐體內部設置隔板,隔板關閉時,將爐體內部分隔為兩部分;隔板打開時,爐體內部連通;電極,電極的表面至少部分覆蓋碳源原料;坩堝,坩堝置于爐體內部;坩堝與電極發生相對位移,以使得電極能夠進入或遠離坩堝內。在硅源原料熔化過程中,通過隔板將爐體內硅源原料和碳化原料隔開,避免加熱時硅液揮發而在碳化原料處結晶,以影響粉料的生長,提高了粉料生長的質量。該方法通過控制隔板的打開或關閉,可避免硅源原料熔化過程中,硅液揮發而在碳化原料處結晶,使得到的粉料的氮雜質含量和其它雜質含量低,可用于高純碳化硅晶體的制備。

制備碳化硅粉裝置的結構示意圖;其中,1、爐體;2、坩堝;3、電極;4、隔板;5、第一加熱裝置;6、第二加熱裝置;7、爐蓋;8、升降裝置。
(中國粉體網編輯整理/平安)
注:圖片非商業用途,存在侵權告知刪除!




















