
國儀量子技術(合肥)股份有限公司
白金會員
已認證

國儀量子技術(合肥)股份有限公司
白金會員
已認證
#NEWS超高分辨場發射電鏡發布
近日,國儀量子在2023全國電鏡年會期間發布了全新的超高分辨場發射掃描電子顯微鏡SEM5000X,分辨率達到了突破性的0.6 nm@15 kV和1.0 nm@1 kV,進一步夯實了國產高端電鏡發展的基礎。
深度挖掘用戶需求 全新升級實現超強性能
國儀量子在服務客戶時發現,傳統的場發射掃描電鏡在拍攝一些特殊樣品時會出現成像質量不佳的問題。例如,納米材料的導電性較差,樣品的粒徑通常也非常小,觀測難度較高。但隨著科研水平不斷進步,對材料的觀測尺度也將不斷縮小,觀測難度愈發提高。為解決這一難題,國儀量子顯微鏡研發團隊在調研用戶需求后,基于深厚的技術儲備與產品工程化能力,推出了“挑戰極限”的超高分辨場發射掃描電子顯微鏡SEM5000X。

SEM5000X如何“挑戰極限”?
極限挑戰一:挑戰超高分辨率
SEM5000X在15 kV下分辨率優于0.6 nm,1 kV下分辨率優于1 nm,成功挑戰了熱場發射掃描電鏡的極限分辨率。
國儀量子對SEM5000X電子光學系統中的物鏡部分做了特殊的改進優化,電透鏡和磁透鏡的重合度進一步提高,使得色差減小了12%、球差減小了20%,整體上提升了電鏡的分辨率。
極限挑戰二:不懼高難樣品
在SEM5000X產品設計中,增加了樣品臺減速模塊,采用了高壓隧道和樣品臺減速的組合,實現雙減速技術,能夠挑戰極限樣品拍攝場景。
極限挑戰三:適應復雜環境
此外,我們自研了高精度的優中心樣品臺,采用了超穩定的機架,還額外設計了可屏蔽環境干擾的全包圍式屏蔽系統,使SEM5000X能夠輕松適應各種復雜環境。
產品優勢
SEM5000X
01
超高分辨率成像,達到了突破性的0.6 nm@15 kV和1.0 nm@1 kV
02
樣品臺減速和高壓隧道技術組合的雙減速技術,挑戰極限樣品拍攝場景
03
高精度機械優中心樣品臺、超穩定性的機架減震設計,可搭配整體罩殼設計,極大減弱環境對極限分辨率的影響
04
最大支持8寸晶圓(最大直徑208 mm)的快速換樣倉,滿足半導體和科研應用需求
如果您需要一臺更高性能,更高分辨率的電鏡,那您一定不能錯過超高分辨場發射掃描電子顯微鏡SEM5000X。
應用案例展示

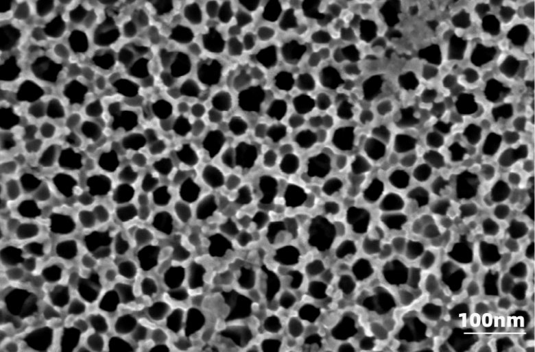
介孔二氧化硅/1 kV(Dul-Dec)/lnlens

芯片/5 kV/BSED-COMP

陽極氧化鋁板/10 kV/Inlens

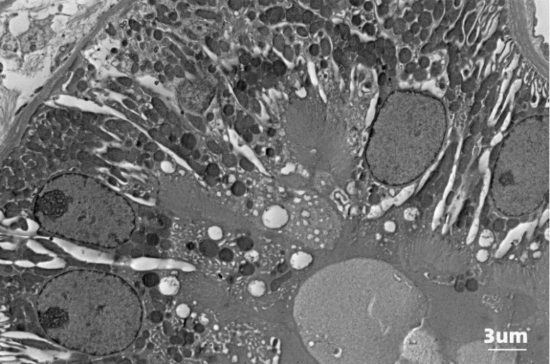
腎臟切片/5 kV/BSED-COMP

泡沫鎳/2 kV/ETD-SE

光刻膠/2 kV/ETD-SE

藍寶石襯底/5 kV/ETD-SE

磁性粉末/10 kV/Inlens

金顆粒/1 kV/Inlens

二氧化硅球/3 kV/ETD-SE

催化劑/1 kV/ETD-SE

波導/1 kV/ETD-SE
最新動態
更多
虛擬號將在 秒后失效
使用微信掃碼撥號